DOMETIC Xtreme Series montage latéral.
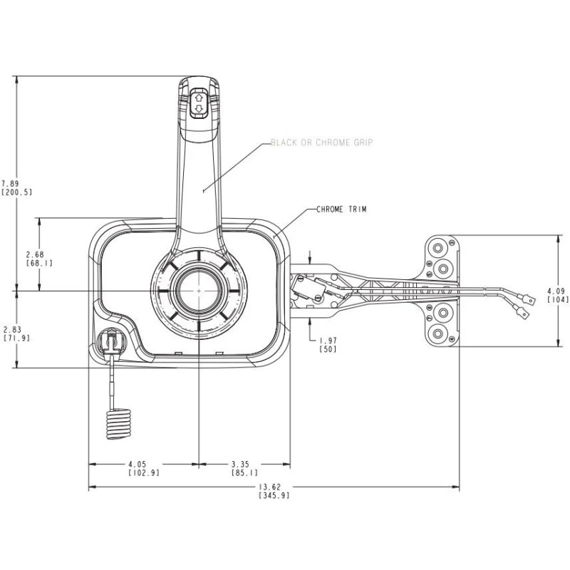
Le boitier de commande latéral DOMETIC Xtreme Series montage latéral à la fois design et ergonomique est un accessoire pour moteur in-bord et hors-bord de bateau, manette des gaz disponible avec ou sans commande de Trim et avec ou sans commande de Tilt.
Equipement moteur de bateau de qualité, ce boitier de commande latéral offre selon la version choisie toutes les fonctions d’un boitier de commande, commandes des gaz ergonomique précise et confortable, Sécurité de démarrage, réglage de Trim, Tilt et sécurité (coupe circuit) pour les moteurs Hors-bord, in-bord et embases en un seul poste de commande. Cet accessoire ou périphérique moteur s’utilise avec les câbles de commande type 33C ou OEM (Mercury et OMC) et Ultraflex C8.
Caracteristiques techniques du boitier de commande DOMETIC Xtreme Series montage latéral, accessoire bateau :
– Couleur Noir et Chrome.
– Poignée ergonomique.
– Sécurité de démarrage.
– Coupe circuit.
– Commande de Trim.
– Tilt.
– Utilisation Moteur Hors-Bord, In-Bord et embases simple poste.
– Pour cables Type : 33C ou OEM (Mercury et OMC) et Ultraflex C8.















Avis
Il n’y a pas encore d’avis.