MZ ELECRONIC Relais MZ2150/C – 12 V / 1700 W,
Relais inverseur de polarité MZ ELECRONIC MZ2150/C particulièrement adapté pour le montage de guindeau ou de propulseur d’étrave nécessitant un relais inverseur de polarité.
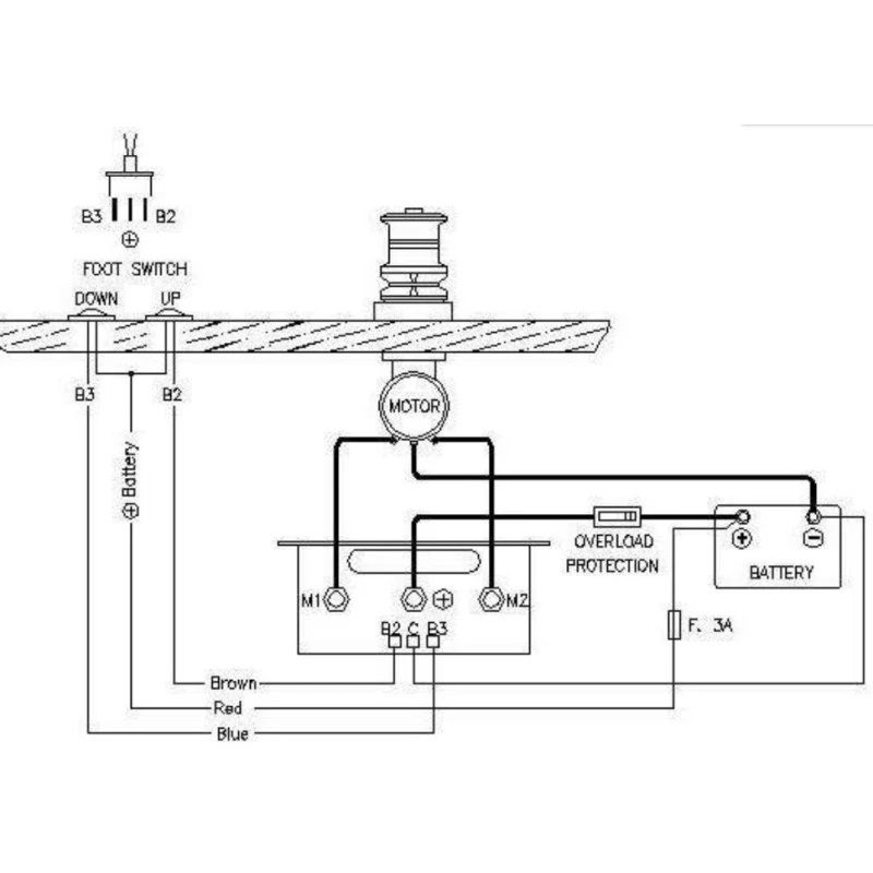
Le fabricant italien MZ ELECTRONIC propose ici un relais universel 3 plots pour commande de moteur électrique 12V jusqu’à 1700 W de puissance, parfaitement indiqué pour les guideaux bateau toutes marques, LEWEMAR, QUICK, ITALWINCH et LOFRAN.
Le relais MZ2150/C en 12 V / 150 A est particulièrement adapté pour une utilisation en bateau grâce a son boitier de protection IP56 en résine polyester.
Caractéristiques techniques du relais 12V – 150A MZ ELECRONIC MZ2150/C :
- Tension admissible : 10 à 16 V
- Capacité max : 150 A
- Connexions de puissance : 3 borniers filetés
- Connexion de commande : 3 fiches plates type FASTON
- Protection : IP56
- Puissance moteur max recommandé : 1700 W
- Dimension : 148x60x95 m










Avis
Il n’y a pas encore d’avis.