MZ ELECTRONIC MZ2090 4 plots < 700W,
Relais de commande MZ2090 pour moteur électrique à courant continu 12V, fabrication MZ ELECTRONIC pour guindeau et propulseur de bateau jusqu’à 700 W de puissance.
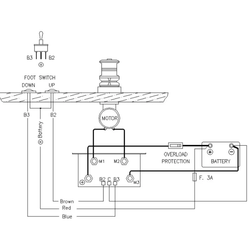
Relais de commande inverseur MZ ELECTRONIC MZ2090/L pour guindeau et propulseur 12 V du bateau moteur puissance max jusqu’à 700W.
Encapsuler dans un boitier en résine polyester IP56, résistant aux chocs les contacteurs, sont protégés de la corrosion.
Inverseur bipolaire ce relais haute qualité permet d’inverser facilement la rotation d’un moteur électrique haute puissance sans risque de surchauffe des contacte comme le contacteur à pied du guindeau ou la commande à distance.
Caractéristiques techniques du relais MZ2090/L MZ ELECTRONIC pour guindeau et propulseur :
- Relais : Bipolaire
- Alimentation : DC 10 à 15,5 V
- Capacité max : 90 A
- Puissance max moteur : 700 W
- Fixation : Cloison visserie M 4,2 mm










Avis
Il n’y a pas encore d’avis.