MZ ELECTRONIC Relais MZ2130/H – 12V / 1300W,
MZ ECLECTRONIC Boitier relais de puissance MZ2130/H, commande montée descente pour guideaux de bateau, courant continu de 12V, puissance moteur max 1300W.
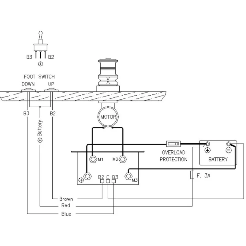
Indispensable pour la commande du guindeau ou du propulseur du bateau, le relais permet de faire passer toute la puissance électrique nécessaire au fonctionnement du moteur, sans endommager les commandes.
Ici MZ ELECTRONIC le fabricant italien propose son relais 4 pôles MZ2130/H capacité max 130A idéale pour moteur électrique jusqu’à 1300W en continu avec tension 12V.
Fabriqué dans un boitier en résine IP56, les contactes internes de ce relais de puissance/inverseur de montée – descente sont parfaitement protégés pour une installation sur bateau.
Le relais MZ 2130/H est compatible avec tous les guindeaux et propulseurs de grandes marques, comme LOFRANT, LEWMAR, ITALWINCH, QUICK…
Caractéristiques techniques MZ ELECTRONIC Boiter relais MZ2130/H – 12 V 4 plots :
- Tension : 12 V
- Capacité : 130 A
- Bipolaire : 4 bornes
- Puissance max en continu : 1300 W













Avis
Il n’y a pas encore d’avis.