MZ ELECTRONIC Relais MZ2130/I – 24V / 1300W,
Relais de puissance MZ ELCTRONIC pour le contrôle de la montée et descente du guindeau de votre bateau. Pour modèle de guindeau puissance moteur jusqu’à 1300 W avec tension de fonctionnement en 24 V.
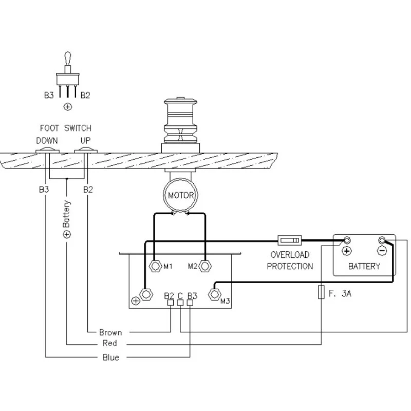
Accessoire bateau de bonne qualité, ce boîtier relais montée/descente est conçu pour les guindeaux avec moteurs de 2 ou 4 fils d’une puissance de 500 à 1500 W. Facile à installer ce relais est universel et compatible avec n’importe quelle marque.
Electronique moulée dans un boîtier étanche fabriqué en époxy étanche IP 56. Pour l’installation, il est peut se monter avec des interrupteurs à pieds ou des télécommandes filaires ou portables.
Caractéristiques du boitier relais MZ ELECTRONIC MZ2130/I- 24 V :
- Nombre de pôles de connexion moteur : 4
- Tension : 24 V
- Pour moteur de guindeau max : 1300 W
- Puissance max crête : 2400 W
- Capacité : 100 A
- Universel
- Etanchéité : IP56
- Dimensions : 148 x 60 x 95 mm









Avis
Il n’y a pas encore d’avis.