MZ ELECTRONIC Relais MZ2150/D – 24V / 1700W,
Relais inverseur de polarité MZ ELECRONIC MZ2150/D particulièrement adapté pour le montage de guindeau ou de propulseur d’étrave nécessitant un relais inverseur de polarité en 24V puissance max 1700W.
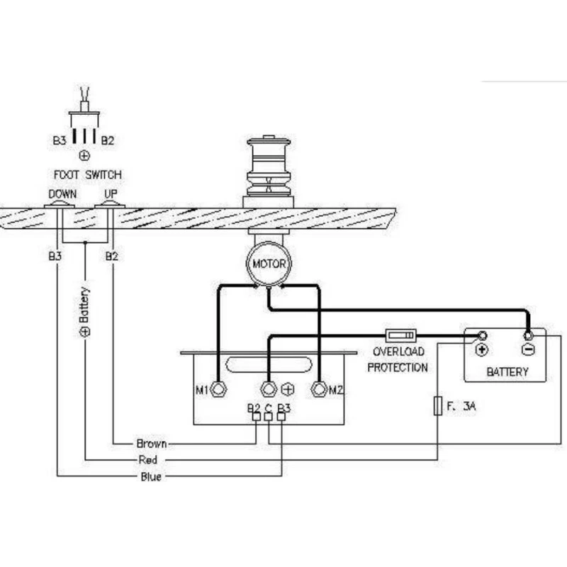
Le fabricant italien MZ ELECTRONIC propose ici un relais universel 3 plots pour commande de moteur électrique 24V jusqu’à 1700 W de puissance, parfaitement indiqué pour les guideaux bateau toutes marques, LEWEMAR, QUICK, ITALWINCH et LOFRAN.
Le relais MZ2150/D C en 12 V / 130 A est particulièrement adapté pour une utilisation en bateau grâce a son boitier de protection IP56 en résine polyester.
Caractéristiques techniques du relais 12V – 150A MZ ELECRONIC MZ2150/D :
- Tension admissible : 22 à 30 V
- Capacité max : 130 A
- Connexions de puissance : 3 borniers filetés
- Connexion de commande : 3 fiches plates type FASTON
- Protection : IP56
- Puissance moteur max recommandé : 1700 W
- Dimension : 148x60x95 mm













Avis
Il n’y a pas encore d’avis.