MZ ELECTRONIC Relais MZ2150PA/C- 12V / 1900W,
Relais inverseur de polarité MZ ELECRONIC MZ2150PA/C particulièrement adapté pour le montage de guindeau ou de propulseur d’étrave nécessitant un relais inverseur de polarité sur moteur 12V puissance max 1900W.
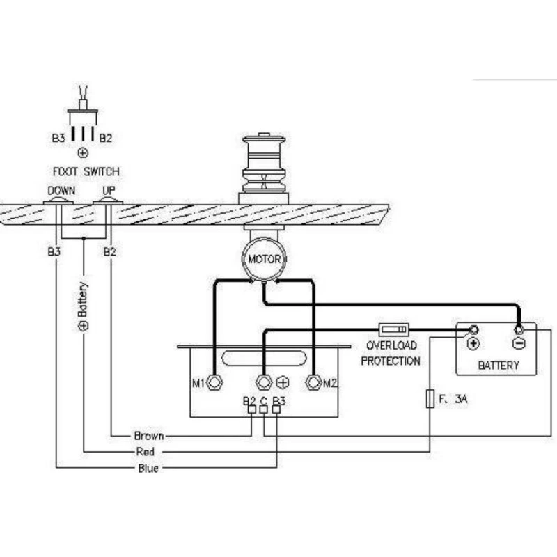
MZ ELECTRONIC fabricant italien d’équipement électrique pour le bateau propose ici un relais universel 3 plots pour commande de moteur électrique 12V jusqu’à 1900 W de puissance, parfaitement indiqué pour les guideaux et treuil bateau toutes marques, LEWEMAR, QUICK, ITALWINCH et LOFRAN.
Le relais MZ2150PA/Cen 12 V / 170 A est particulièrement adapté pour une utilisation en bateau grâce a son boitier de protection IP56 en résine polyester.
Caractéristiques techniques du relais 12V – 170A MZ ELECRONIC MZ2150PA/C :
- Tension admissible : 10 à 16 V
- Capacité max : 170 A
- Connexions de puissance : 3 borniers filetés
- Connexion de commande : 3 fiches plates type FASTON
- Protection : IP56
- Puissance moteur max recommandé : 1900 W
- Dimension : 148x60x95 mm












Avis
Il n’y a pas encore d’avis.