MZ ELECTRONIC Relais MZ2150PA/D – 24V / 1900 W,
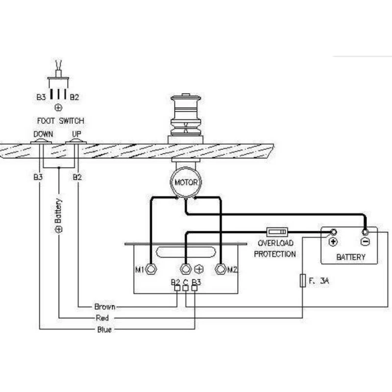
Relais de montée descente MZ2150PA/D pour guideau électrique de 24 V puissance max 1900 W installé sur les bateaux voiliers ou vedettes. Ce boîtier MZ ELECTRONIC inverseur de polarité est doté de 3 plots connexions moteur.
Accastillage bateau de haute qualité, ce boîtier relais montée/descente MZ ELECTRONIC est conçu pour les guindeaux avec moteurs de 3 fils d’une puissance jusqu’à 1900 W. Facile à installer ce relais est universel et compatible avec toute les plus grande marque de guindeau, ITALWINCH, QUICK, LOFRAN, LEWMAR…
Contacteur moulée dans un boîtier étanche fabriqué en résine polyester étanche IP 56, compléter le montage du relais avec interrupteur de contact ou télécommande.
Spécifications du relais montée descente MZ ELECTRONIC pour guindeau de bateau :
- Nombre de pôles de connexion puissance : 3
- Nombres de connexions de contactes : 3 Fiches FASTON
- Tension : 24 V
- Pour moteur puissance max : 1900 W
- Puissance max crête : 3600 W
- Capacité : 150 A
- Universel
- Etanchéité : IP56
- Dimensions : 148 x 60 x 95 mm











Avis
Il n’y a pas encore d’avis.