MZ ELECTRONIC Relais MZIC20134 – 24V / 3000W
Boîtier de commande, relais de montée – descente MZ ELECTRONIC MZIC20134 pour guindeau et propulseur d’étrave électrique en 24 V, puissance max 3000W. Modèle à 4 ou 3 plots de connexion.
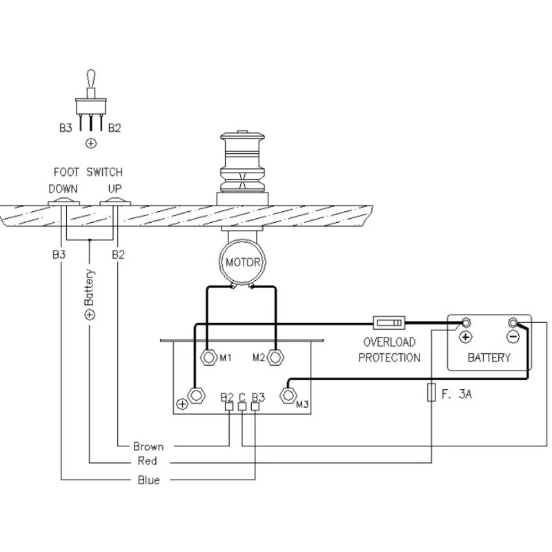
Equipement du fabriquant italien MZ ELECTRONIC, ce boîtier relais montée/descente (inverseur) MZIC20134 est conçu pour les guindeaux électriques et propulseur d’étrave avec moteur de 2 ou 4 fils d’une puissance jusqu’à 3000 W maximum. Facile à installer ce relais est universel et compatible avec n’importe quelle marque de guindeau.
Spécifications du boitier relais MZ ELECTRONIC MZIC20134 – 24V / 3000W – 4 plots :
- Nombre de pôles de connexion moteur : 3 ou 4
- Tension : 24 V
- Pour moteur puissance max : 3000 W
- Capacité max : 225 A
- Dimensions : 148 x 70 x 120 mm










Avis
Il n’y a pas encore d’avis.